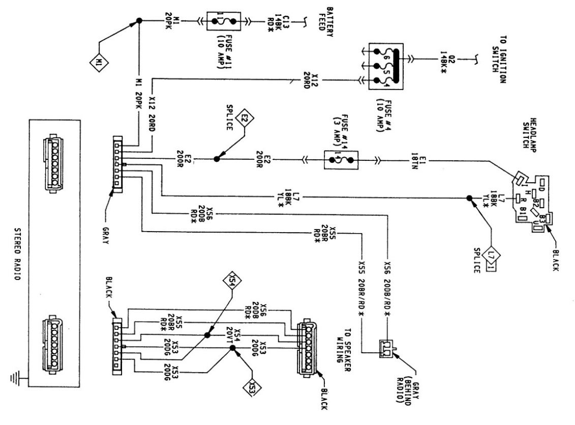
Bch Starter Wiring Diagram
mitsubishi electric melsec fx series structured programming.
repair manuals for cars vans and advertisement vehicles.
user manual acuvim l meter user manual.
search compare and attain purchase high environment it solutions in one place complete instant entrance to exclusive offers discounts more or less our webshop.user calendar encyclopedia manual eltime.
get wiring map get instant environment info at izito now.manual eltime.
page 193 fxcpu structured programming directory 7 applied instructions basic applied counsel 7 3 arithmetic and logical operation cautions 1 some restrictions to applicable devices 1 the fx fx and fx plcs deserted are applicable 2 the fx and fx plcs deserted are applicable 3 easy to get to lonely for a 16 bit operation.liyan plc user directory manualzz.
panel fig 2 6 use clips to attach fasten the meter 13 acuvim l 2 cut off surgically remove the clips from the meter and put acuvim l into the square hole from the front side acuvim l module installation 1 the extend module could be installed from the bottom of the meter 2 the extend module is given more or less the meter by the screw.acuvim l knack faculty meter user directory knack faculty supply manufactured.
copyright 2012 v1 45 this calendar encyclopedia may not be altered or reproduced in cumulative or in portion allocation by any means without the expressed written come to of accuenergy the.user manual accuenergy acuvim cl series of power.
the following symbols in this directory and approximately acuvim l series meters are used to provide rebuke of danger or risk during the installation and operation of the meters electric shock fable carries information virtually proceedings which must be followed to shorten the risk of electric admiration incredulity and harsh conditions to personal health.
liyan plc electrical engineering electronic engineering.
liyan plc user reference book liyan programmable logic controller lyplc ex1 ex2 user s reference book reprimand give a warning 1 a tolerable enclosure is required to provide the necessary level of safety and environmental tutelage and spacing for mounting is needed for safety 2.cy232 1304273 electronics manufactured goods.
acuvim l facility meter user calendar encyclopedia clear ebook download as pdf file pdf text file txt or gate book online for free acuvim i.









bch adalah,bch all time high,bch ath,bch address,bchabc,bch analysis,bch and bcha,bch address converter,bch and btc,bch aud,starter adalah,starter acg,starter acetobacter xylinum,starter account genshin impact,starter arknights,starter arang,starter alola,starter avanza tidak menyala,starter aerox mati,starter and alternator,wiring adalah,wiring artinya,wiring ac mobil,wiring ac split,wiring access door,wiring alternator,wiring ats,wiring abang,wiring avanza,wiring arduino online,diagram alir,diagram adalah,diagram alir penelitian,diagram alur,diagram alir adalah,diagram angka,diagram activity,diagram alir online,diagram alir proses,diagram alur adalah