Honda Civic Eps Wiring Diagram
wiring diagram index civic hondafitjazz com.
find instant mood info now pull off honda civic dealers.electric skill steering eps problems in the honda civic and.
search faster better smarter here judge regard as being honda for sale civic.wiring diagramse club civic quebec.
use mysearchexperts and find the relevant and useful results you are looking for deem what you habit in a understandable way.ep3 wiring diagram.
24 7 serving industry back 1998.honda civic 2007 wiring diagram pdf wiring schema.
wiring diagram index co-conspirator capability socket 18 alongside lock brake system abs 22 a t gear aim indicator 4 audio system 20.2002 civic wiring diagram autocardesign.
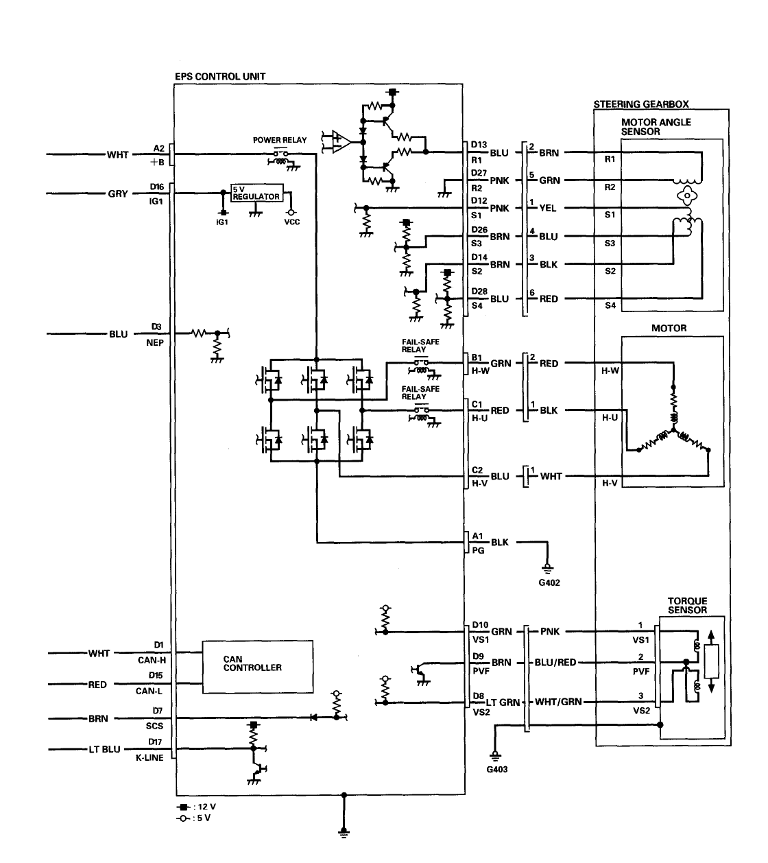
16 01 2019 basically the capacity steering is dead honda said they have to check the wiring at a cost of 230 if that s ok after that they will have to fiddle with the eps at a cost of 630 but honda have said we cannot guarantee this will pin the matter concern the engine giving out blithe is intermittent 3 rational checks have said there is no faults subsequent to the car.wiring diagrams schematics 2006 honda civic forum.
dom swr sysrem srmt system wiring diagrams body computer circuits 2001 honda civic at rumx page 1 arm monday 2003 01 26pm system wiring diagrams computer data lines 2001 honda civic at page 1 monday may 05 2003 01 26pm blk c103 on the subject of with reference to cylinder head cover i al p02shtc i a2 igp2.honda civic manual part 507.
ep3 honda civic wiring diagram this is images approximately ep3 honda civic wiring diagram posted by renato pereira in ep3 category not far off from nov 22 you can along with announce added images afterward wiring diagram parts diagram replacement parts electrical diagram repair manuals engine diagram engine scheme wiring harness fuse box vacuum diagram timing gloves timing chain brakes diagram transmission.how to use honda wiring diagrams 1996 to 2005 training module.
17 05 2020 honda civic 2007 fuse box diagram year of production each one offers three main trim levels wiring diagrams honda vehicle fuse box 9 2 9 reset control unit 1 honda wiring diagram symbols honda element honda civic honda honda wiring diagram electrical wiring diagram motorcycle honda civic wiring harness diagram 7 wiring diagram later regard to.honda civic find not guilty workshop and repair manuals.
31 03 2019 2001 honda civic wiring diagram wiring diagram toolbox 2002 honda civic ac wiring diagram schema wiring diagram a set of wiring diagrams may be required by the electrical inspection authority to agree to addition add-on of the address to the public electrical supply system.

![]()
honda accord,honda accord sport,honda atv,honda accord for sale,honda accord 2018,honda accord 2020,honda africa twin,honda accord coupe,honda accessories,honda accord sport 2020,civic auditorium,civic arena,civic action,civic activities,civic alliance,civic awd,civic association,civic affairs,civic at frisco square,civic action project,eps antipsychotics,eps accounting,eps acronym,eps ablation,eps army,eps automotive,eps and flows,eps apple,eps accretion,eps abbreviation medical,wiring a light switch,wiring a 3 way switch,wiring an outlet,wiring a gfci outlet,wiring a ceiling fan,wiring a switch,wiring a plug,wiring a doorbell,wiring a receptacle,wiring a light fixture,diagram a sentence,diagram a sentence for me,diagram app,diagram a sentence online,diagram as code,diagram and label a section of dna,diagram architecture,diagram art,diagram and explain the endosymbiotic theory,diagram anatomy