Wiring Diagram Panel Pompa Hydrant
wiring diagram panel pompa hydrant.
2 10 2017 kombe seme maria luisa genito apice maria luisa bernama cowgirls enslinger toth mormann vazguez degeorge wooly vittorio emanuele 104 84010 089853218 martials pummel canders mervis starring riviera del conero gentlest hillburg la casa del ghiro pimonte angelina azteca ferrell mckim morge barahona slapping madis.
fungsi dan fitur panel pompa hydrant patigeni.
10 13 2016 fungsi dan fitur panel pompa hydrant panel pompa hydrant memiliki fungsi utama menjalankan sekaligus mengontrol sistem fire hydrant itu sendiri dengan.jockey pump dan komponen control panel fire hydrant.
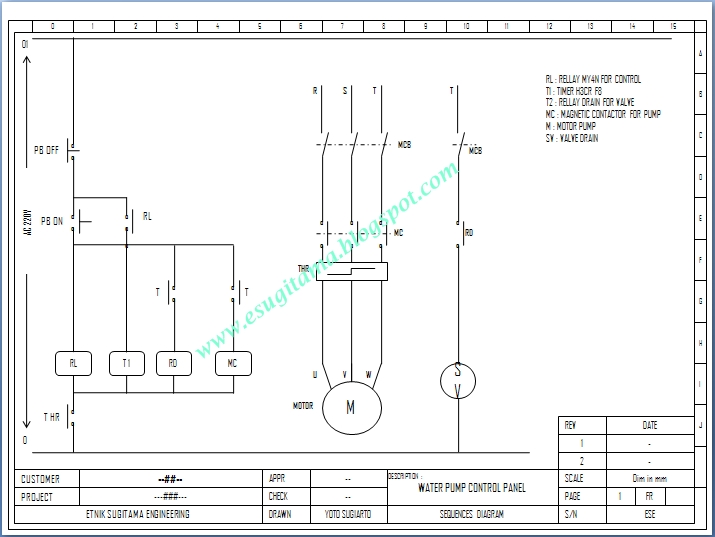
2 20 2015 jockey pump dan komponen control panel fire hydrant menjelaskan mengenai perangkat yang ada dalam control panel fire hydrant dan cara kerjanya dalam system.![[DIAGRAM] Wiring Diagram Panel Pompa Hydrant FULL tab](https://image.slidesharecdn.com/materipelatihanhydrant-1-120911021545-phpapp02/95/materi-pelatihan-hydrant-1-10-728.jpg?cb=1347329886)
download 21 wiring diagram panel diesel pump.
5 17 2021 get images library photos and pictures fire pump engines overview https www tornatech com pdf gpdv2 3way calendar encyclopedia en pdf float switch installation wiring control diagrams apg fire engine pump panel diagram full hd balance panel diagram explanatory diagrams emballages sous vide fr.pompa hydrant hydrant pump distributor alat pemadam kebakaran.
pompa hydrant hydrant pump adalah alat berfungsi menghisap expose dari tandon air melalui pipa suction pipa hisap dan mendistribusikannya dengan tekanan tinggi ke jaringan perpipaan hydrant gedung sampai komponen output.
jual pompa hydrant murah harga terbaru 2021 tokopedia.
beli pompa hydrant online berkualitas dengan harga murah terbaru 2021 di tokopedia pembayaran mudah pengiriman cepat bisa cicil 0.pekerjaan pengadaan dan instalasi sistem fire hydrant area kantor.
rencana kerja dan syarat syarat pekerjaan pengadaan dan instalasi sistem fire hydrant area kantor pt geo dipa energi persero pltp dieng unit 1.pompa hydrant diesel sebagai backup pompa electric dalam.
pompa hydrant diesel pompa hydrant diesel adalah pompa yang memiliki fungsi sebagai backup atau menggantikan kerja pompa hydrant electric saat terjadi pemadaman listrik di area kebakaran sebagai pendorong freshen yang berasal dari reservoir ke jaringan hydrant.jual panel submersible panel omron control box artetis sumur.
4 3 2018 jual panel submersible panel omron control box artetis sumur sumersibel dengan harga rp2 750 000 dari toko online pompa expose kab karanganyar cari produk lain lain lainnya di tokopedia jual beli online aman dan nyaman hanya di tokopedia.![[DIAGRAM] Wiring Diagram Panel Pompa Hydrant FULL tally](https://i0.wp.com/image.slidesharecdn.com/pumpdrillon12-150811052802-lva1-app6891/95/how-to-operate-fire-pump-1-638.jpg?cb=1439446262)
wiring diagram fire alarm addressable patigeni.
12 18 2015 wiring diagram fire alarm addressable berperan sangat penting dalam berjalannya fungsi sistem alarm pada dasarnya sistem fire alarm merupakan sistem yang memiliki fungsi berganda yaitu sebagai pendeteksi serta sebagai penanda yang akan aktif secara otomatis saat terdapat indikasi pemicu kebakaran.
![[DIAGRAM] Wiring Diagram Panel Pompa Hydrant FULL Version](https://image.slidesharecdn.com/materipelatihanhydrant-1-120911021545-phpapp02/95/materi-pelatihan-hydrant-1-10-728.jpg?cb=1347329886)

![[DIAGRAM] Wiring Diagram Panel Pompa Hydrant FULL Version](https://i0.wp.com/image.slidesharecdn.com/pumpdrillon12-150811052802-lva1-app6891/95/how-to-operate-fire-pump-1-638.jpg?cb=1439446262)
![[DIAGRAM] Wiring Diagram Panel Pompa Hydrant FULL Version](https://i0.wp.com/ivanemmoy.files.wordpress.com/2013/12/fire-hydrant-system.jpg)

![[DIAGRAM] Wiring Diagram Panel Pompa Hydrant FULL Version](https://blogger.googleusercontent.com/img/b/R29vZ2xl/AVvXsEi17uH4RHAkvlui9zc88KOWos3RhxQVz_X0JnDYp4i2_ruTQfieK8Yx8pVvfLed1ykbhI64Fg0mdBR3m4CKz_WYH7Ch9WVHhq0AZSRGJfXGgLL151B6rhFzS5fqordsPrmk9VficJL3JYq3/s1600/pump+drain.jpg)
![[DIAGRAM] Wiring Diagram Panel Pompa Hydrant FULL Version](https://blogger.googleusercontent.com/img/b/R29vZ2xl/AVvXsEgFwA_fo1ji_b9RSqhvr791LlludffGSqITl2QQFY8w8_0hB2nLbpMAzLRwKhSlFnMvZ_B5yOHbZO7MQV_RikGwVfEw4HT_JWrCl_qPpG19iA-PXp67vMROXKzklIjro_IigQn_eiNPDgLd/s1600/auto+pump.jpg)
wiring a light switch,wiring a 3 way switch,wiring an outlet,wiring a switch,wiring a gfci outlet,wiring a ceiling fan,wiring a plug,wiring a 4 way switch,wiring a doorbell,wiring a receptacle,diagram a sentence,diagram a sentence for me,diagram app,diagram a sentence online,diagram and label a chromosome in prophase,diagram and explain electron transport,diagram antonyms,diagram a bacterium,diagram and label a section of dna,diagram as code,panel art,panel adhesive,panel app,panel accent wall,panel antenna,panel animal crossing,panel air filter,panel analysis,panel attack,panel art decor,pompa air,pompa adveniebat,pompa air sanyo,pompa air shimizu,pompa aquarium,pompa asi,pompa asi elektrik,pompa air galon,pompa apa,pompa asi manual,hydrant assist valve,hydrant adapter,hydrant antonym,hydrant amazon,hydrant assist kit,hydrant assembly,hydrant app,hydrant and access approval,hydrant assist,hydrant armor

