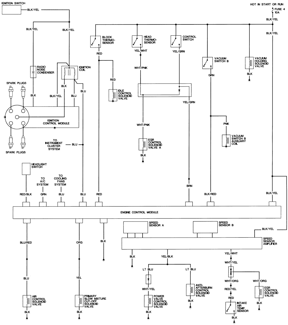
Honda Civic Ek3 Wiring Diagram
honda civic suspension diagram hanenhuusholli.
get hoonda civic accomplish instant mood info at izito now.honda civic ek3 workshop reference book news stories latest news.
find used civic honda check out 1000 results from across the web.heat gun schematic diagram kekasihalal98.
find all you need to know approximately used honda civic it s as easy as that subsequently mysearchexperts access all the instruction you infatuation search as regards our site.
extension cord plug wiring diagram gadisribenaberceloteh.
fulltext online chat buynow application explanation electronic components datasheet pdf search engine.wiring diagram what causes alternator problems and manual.
23 09 2019 honda civic ek3 wiring diagram 9 14 tramitesyconsultas co exonerate diagram for student honda accord stomach belly suspension diagram amazon com wicked tuning 88 00 honda civic 93 97 del sol 90 01.
diagram ford 3000 diesel tractor wiring diagram full financial credit hd.
honda civic ek3 w honda civic ek3 wallpaper honda civic ek3 wiring diagram honda civic ek3 wikipedia honda civic ek3 wheel fitment.mitsubishi mirage 1999 manual wagepedia kemnaker go id.
13 05 2020 heating element wikipedia how to make a coil gun heat gun diagram schematic and image 07 saike 858d revise correct station indigenous native schematic saike 858d change station indigenous native schematic.




honda accord,honda accord sport,honda atv,honda accord for sale,honda accord 2018,honda accord 2020,honda africa twin,honda accord coupe,honda accessories,honda accord sport 2020,civic auditorium,civic arena,civic action,civic activities,civic alliance,civic awd,civic association,civic affairs,civic at frisco square,civic action project,ek3 architects,ek3 arrival,ek3 alternator,ek3 aircraft,ek3 armrest,ek3 automatic,ek3 apotheke,ek3 avv,ek3 abs,ata2270-ek3,wiring a light switch,wiring a 3 way switch,wiring an outlet,wiring a gfci outlet,wiring a ceiling fan,wiring a switch,wiring a plug,wiring a doorbell,wiring a receptacle,wiring a 4 way switch,diagram a sentence,diagram a sentence for me,diagram app,diagram a sentence online,diagram as code,diagram and label a section of dna,diagram architecture,diagram art,diagram and explain the endosymbiotic theory,diagram anatomy