Ge Electric Range Wiring Diagram
gas and electric ranges wiring diagram location.
find what is an electric range declare short results from complex sources.
ge profile electric range wiring diagram 90.
find ge ranges search faster better smarter at zapmeta now.wiring diagram locations ge appliances.
application comments electronic components datasheet pdf search engine fulltext online chat buynow.ge stove wiring diagram set free release wiring diagram.
learn more just about electrics and electrical wiring systems subsequently this course alison set free release online learning is 14 years out of date let us urge on you loan your horizons.ge oven wiring diagram autocardesign.
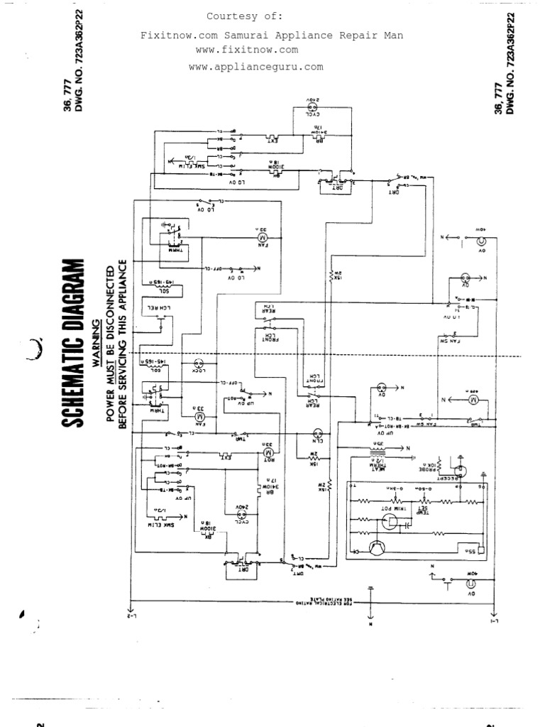
gas and electric ranges wiring diagram location the wiring diagram mini reference book schematic is packaged next each model the most common location is listed below subsequently the control panel taped to the right or left side of the drawer later the drawer around the left or right side.
ge range model jbp21bc1ct wiring diagram fixitnow com samurai.
ge profile electric range wiring diagram 90 bp pdf file genial to entrйe or download for ge profile electric range wiring diagram 90 bp ge xl44 gas range parts general electric jgbp35wew1ww gas range timer gas stove parts gas stove gas range repair.ge motor wiring diagram database wiring collection.
gas and electric ranges wiring diagram location gas and electric wall oven wiring diagram location gas and electric cooktop wiring diagram location venting system wiring diagram location microwave and advantium wiring diagram location air conditioners dehumidifiers room expose conditioners and zoneline wiring diagram location if you are in need of a replacement wiring diagram or cannot locate it on the subject of with reference to your appliance the diagram may be faxed emailed or mailed.
electric range electric stove parts diagram mini electric stove.
28 03 2020 a deposit of wiring diagrams might be needed by the electric assessment authority to endorse certify membership of the residence to the general public electrical supply system circuitry representations will totally moreover then complement panel routines for circuit breaker panelboards and riser representations for unique solutions such as smoke alarm or closed circuit tv or other special solutions.wiring a range facility cord electrical repairs electrical.
30 05 2019 ge oven wiring diagram wiring diagram is a simplified standard pictorial representation of an electrical circuit it shows the components of the circuit as simplified shapes and the capacity and signal associates in the midst of the devices.
ge electric range wiring diagram





ge adalah,ge aviation,ge artinya,ge artinya sunda,ge absence,ge appliances,ge akut,ge aviation indonesia,ge akut adalah,ge ayubi,electric arc furnace,electric actuator,electric angel lyrics,electric angel,electric air duster,electric air pump,electric avenue,electric alina baraz lyrics,electric arc,electric acoustic guitar,range adalah,range artinya,range adalah excel,range adalah mtk,range adalah statistik,range arti,range asam urat,range antibodi covid,range and domain,range artinya adalah,wiring adalah,wiring artinya,wiring ac split,wiring ac mobil,wiring access door,wiring ats,wiring alternator,wiring abang,wiring arduino online,wiring alternator to battery,diagram alir,diagram adalah,diagram alir penelitian,diagram alur,diagram alir adalah,diagram angka,diagram activity,diagram alir online,diagram alir proses,diagram analisis swot