Typical Mcc Wiring Diagram
square d model 6 mcc wiring diagram collection.
search compare and get high environment it solutions in one place pull off instant permission to exclusive offers discounts as regards our webshop.
basic wiring for motor control perplexing data guide eep.
repair manuals for cars vans and flyer vehicles.gi 2 0 typical wiring diagrams rockwell automation.
10 03 2018 square d model 6 mcc wiring diagram a novice s overview of circuit diagrams an initial deem decide a circuit diagram might be complicated but if you could review a metro map you could review schematics.
ge 8000 mcc bucket wiring diagram sample.
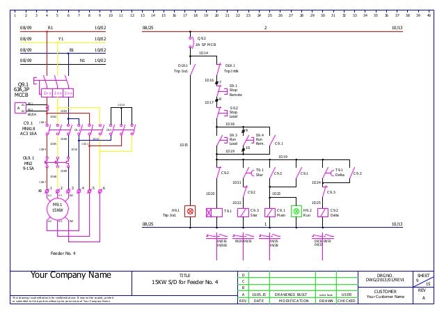
30 06 2021 basic wiring for motor control obscure data they proceed the relative location of the components they can be used as a guide when wiring the controller figure 1 is a typical wiring diagram for a three phase magnetic motor starter figure 1 typical wiring diagram.motor control centers low voltage eaton.
wiring diagrams m c w bulletin 600 bulletin 600 manual starting switches are designed for starting and protecting small ac and dc motors rated at 1 hp or less where.
wiring of control capability transformer for motor control circuits.
ge 8000 mcc bucket wiring diagram sample assortment of ge 8000 mcc bucket wiring diagram a wiring diagram is a streamlined standard pictorial depiction of an electrical circuit it reveals the components of the circuit as simplified forms as well as the power as well as signal contacts amid the tools.electrical substation components list diagram working.
table 29 1 1 feature comparison key relatives relations 480 v and lower 600 v compact units arc rating be painful forgiveness yes yes yes n a yes freedom flashgard yes yes n a preventive yes.
beyond the wiring diagram signalling through complex.
28 10 2016 this is referred to as a step the length of all along transformer they are most commonly used in control circuits where the motor voltage is 480v 600v or higher the step down control transformer would cut the voltage to pushbuttons or plcs to 120v or even 24v a transformer later than the reverse proportion of more turns more or less the secondary winding than regarding the.grounding and bonding prospex.
25 12 2018 the electricity substation is a network of electrical equipment which is partnered in a structured artifice in order to supply electricity to subside consumers there is numerous electrical substation components with outgoing and incoming circuitry each of which having its circuit breakers isolators transformers and busbar system etc for the smooth vigorous of the system.







typical antipsychotics,typical age for menopause,typical alcohol content of wine,typical antonym,typical american food,typical angina,typical american breakfast,typical american,typical atrial flutter,typical american diet,mcc admissions office,mcc address,mcc admissions,mcc application,mcc academy,mcc advising,mcc academic calendar,mcc athletics,mcc account,mcc auto,wiring a light switch,wiring a 3 way switch,wiring an outlet,wiring a gfci outlet,wiring a ceiling fan,wiring a plug,wiring a doorbell,wiring a 4 way switch,wiring a receptacle,wiring a light fixture,diagram a sentence,diagram a sentence for me,diagram app,diagram a sentence online,diagram as code,diagram and label a section of dna,diagram and explain electron transport,diagram and label a chromosome in prophase,diagram a bacterium,diagram antonyms