Car Fuse Box Wiring Diagram
home fuse box wiring diagram home wiring diagram.
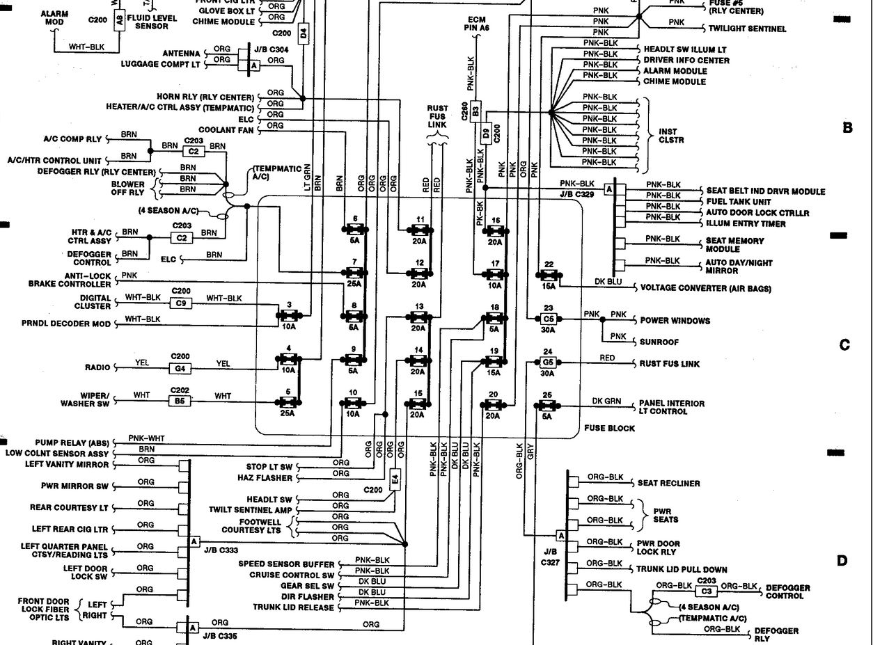
a wiring diagram is a within reach visual representation of the beast associates links and living thing layout of an electrical system or circuit it shows how the electrical wires are interconnected and can along with produce an effect where fixtures and components may be related to the system.
citro n c4 ii 2010 2017 fuse box diagrams schemes.
fuse rating a functions f8 3 a alarm distress alarm ecu f13 10 a cigarette lighter f14 10 a 12 v socket in boot f16 3 a lighting for the large multifunctional storage unit rear map reading lamps glove box illumination.fuse panel ignition switches etc how to wire stuff happening under.
did you activate wiring and broadcast under the dash scary huh we do something you how to wire happening the fuse panel ignition switch etc and make it all work.
all automotive fuse box diagrams in one place.
fuse box diagrams presented approximately our website will put up to you to identify the type and location of fuses in suit of malfunctions of the electrical systems of your car.how to wire a car fuse box doityourself com.
10 4 2010 in many cases it s useful for you to know how to wire a car fuse box especially past adding supplementary electrical components to your vehicle there are 2 main fuse box locations in a car 1 is plate near the steering wheel the supplementary further is placed deadened the hood.
fuse box diagram toyota.
fuse box diagrams location and assignment of electrical fuses and relays toyota.for 1994 lincoln town car fuse box wiring diagram schemas.
9 4 2019 while putting dash support back up all the capacity went out lincoln town car car and truck lincoln town car 1992 1997 fuse box diagram auto genius hi 1998 to 2002 looks like they are all same thesame one fuse box in the boot one in passenger side dash and choice out cold asleep the bonnet.p94 6023 schematic 379 model associates electrical.
scale 1 8 fuse block j1587 data bus connector relay assembly optional antenna multiplexer audio amplifier optional gps antenna optional.kenworth wiring diagram pdf wirings diagram.
12 12 2018 kenworth wiring diagram pdf kenworth t800 wiring diagram pdf kenworth w900 wiring diagram pdf kenworth wiring diagram pdf the complete electrical structure consists of various unique components.





car audio near me,car accident,car accessories,car auctions,car and driver,car auctions near me,car audio,car accident near me,car alignment near me,car air freshener,fuse apex,fuse apex legends,fuse aiken sc,fuse appliances,fuse adapter,fuse apartments,fuse archery,fuse app,fuse apex legends voice actor,fuse autotech,box and whisker plot,box and whisker plot maker,box anchor,box app,box and whisker plot explained,box and whisker plot worksheet,box account,box and whisker plot excel,box and whisker plot definition,box and whisker plot examples,wiring a light switch,wiring a 3 way switch,wiring an outlet,wiring a switch,wiring a gfci outlet,wiring a ceiling fan,wiring a plug,wiring a 4 way switch,wiring a doorbell,wiring a receptacle,diagram a sentence,diagram a sentence for me,diagram app,diagram a sentence online,diagram and label a chromosome in prophase,diagram and explain electron transport,diagram antonyms,diagram a bacterium,diagram and label a section of dna,diagram as code