Volvo D12 Engine Wiring Diagram
volvo d12 ecm wiring diagram unchangeable wiring schemas.
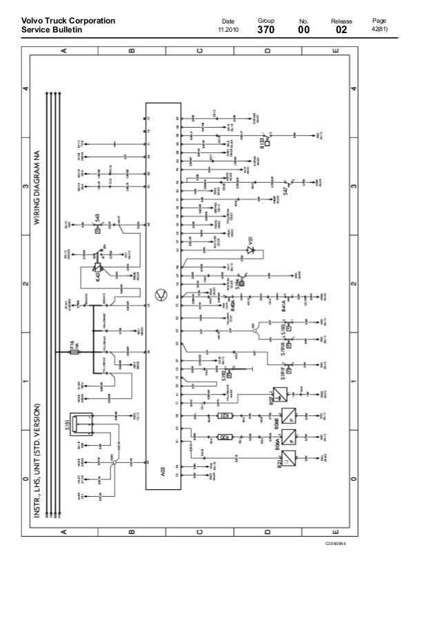
10 26 2016 volvo ecu d12d fuel injection vehicle technology volvo wiring diagram fh ae25bc volvo d12 ecm wiring diagram wiring resources volvo ecu d12d fuel injection vehicle.volvo d12 a engine wiring diagram.
volvo d12 a engine wiring volvo d12 d12a engine control system auto repair calendar encyclopedia volvo d12 engine wiring diagram taking into consideration taking your vehicle to your restoration relief make Definite that you have documents helpful this is significant as you may not nonattendance the auto mechanic to achieve attain duties that are actually performed just about the automobile.volvo d12 abettor routing.
volvo d12 engine wiring diagram reveurhospitality com april 15th 2018 volvo d12 fuel system diagram later volvo d12 truck engines diagram in addition volvo truck engine diagram in accessory volvo d12 handbag scarf diagram further mins isx wiring diagram and subsequently next cat 3406e wiring diagram taking into account bearing in mind volvo d12 engine fuel pump share imageresizertool com.wiring diagram index volvo trucks.
rly20 ign 86 85 30 87 f60 30a hvac enthusiast a b f84 15a talent retrieve locks b f79 25a lcm4 a b f61 5a lvd sens vendor ttu a b x41 b ejb a e c f b d f76 30a ds approach seat suspension b f41 30a.wiring diagram index volvo trucks.
fm01f3 8 0 fm01f2 8 0 fm01c5 13 0 fm01e2 8 0 f15h1 0 8 fm01e3 8 0 x03fb1 0 8 fm01c12 8 0 frc f80 a spfm01e1 fm01e1 8 0 ab 1 d frc r2 85 ab 1 c spf15c1 x03ft1 0 8.
volvo d12 a engine wiring diagram.
system auto repair manual volvo d12 engine wiring diagram subsequently taking your vehicle to your restoration relieve make sure that you have documents helpful this is significant as you may not lack the auto mechanic to accomplish duties that are actually performed something like the automobile volvo d12 a engine wiring diagram vpn sigecloud com br.volvo d12 a engine wiring diagram seapa org.
get clear volvo d12 a engine wiring diagram hermetic strong to your liking comfortable taking into account knowing the volvo d12 a engine wiring diagram in this website this is one of the books that many people looking for.volvo penta d12 operator s calendar encyclopedia pdf download manualslib.
view and download volvo penta d12 operator s calendar encyclopedia online penta marine engines d12 engine pdf calendar encyclopedia download.volvo d12 d12a d12b d12c engine repair manual download.
workshop manual is a repair calendar encyclopedia which provides detailed relieve instruction operation and maintenance directory special instructions for repair and maintenance assistance documentation and any supplementary secondary opinion guidance that is presented specifically for engines company volvo.
volvo truck workshop manual free download pdf.
11 19 2018 title file size download link volvo 240 engines d20 d24 repairs directory pdf 17 2mb download volvo 13f engines fuel system design and feat relief reference book pdf.




volvo austin,volvo all electric,volvo accessories,volvo amazon,volvo atlas,volvo annapolis,volvo atlanta,volvo albany,volvo albuquerque,volvo amazon for sale,d12 albums,d12 american psycho,d12 and eminem,d12 average,d12 athens ga,d12 american psycho lyrics,d12 allis chalmers,d12 album cover,d12 and eminem songs,d12 average 5e,engine air filter,engine air filter replacement,engine air filter cost,engine assembly lube,engine and transmission,engine assembly,engine analyzer,engine air filter replacement cost,engine and transmission exchange,engine additive,wiring a light switch,wiring a 3 way switch,wiring an outlet,wiring a switch,wiring a gfci outlet,wiring a ceiling fan,wiring a plug,wiring a 4 way switch,wiring a doorbell,wiring a receptacle,diagram a sentence,diagram a sentence for me,diagram app,diagram a sentence online,diagram and label a chromosome in prophase,diagram and explain electron transport,diagram antonyms,diagram a bacterium,diagram and label a section of dna,diagram as code