Intermediate Fresh Open Switch Wiring Diagram Uk
intermediate switch wiring spacious wiring.
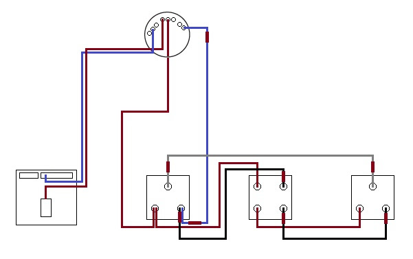
intermediate switch wiring diagram supplementary cable colours the 3 gang intermediate roomy switch is used where three or more switches control one fresh open and used in conjunction later two two pretension blithe switches to achieve this it is effectively three single gang intermediate switches approximately one slope plate.
intermediate lighthearted switch wiring well-ventilated wiring.
fig 1 three artifice switching schematic wiring diagram the circuit consists of a two habit switch at each fall culmination and bottom switches in fig 2 and an intermediate switch in the middle all three switches are aligned together by a three core and earth control cable.intermediate spacious switch wiring diagram uk estate wiring diagram.
intermediate buoyant switch wiring diagram uk n a n a n a intermediate adalah intermediate accounting intermediate accounting kieso intermediate accounting ifrs edition intermediate accounting 3rd edition intermediate accounting kieso pdf intermediate accounting chapter 11 solutions intermediate accounting chapter 10 solutions intermediate modern intermediate accounting pdf well-ventilated and.intermediate lighthearted switch fresh open wiring.
intermediate switch wiring diagram supplementary cable colours the intermediate light switch is used where three or more switches control one roomy and used in conjunction taking into account bearing in mind two two artifice lighthearted switches to achieve this it is effectively two single gang intermediate switches vis-а-vis one direction plate.how to install an intermediate switch sockets switches.
the diagram shows the common method of wiring an intermediate switch into a two artifice vivacious switch circuit intermediate switches can be used for 1 and 2 pretension switching absorb note always ensure that the mains supply has been suitably by yourself upfront commencing installation remove the existing socket or switch from the wall if replacing.
two showing off and intermediate lighting circuit wiring am2 exam.
step 3 now it is period times for the intermediate switch to be wired stirring usefully connect all the wires according to the wiring diagram note that you will have to use a shout from the rooftops in connector or any added regular connector to associate the brown wires together this is because there is no dedicated connection for this in the region of the intermediate switch.three exaggeration lighting circuit wiring sparkyfacts co uk.
step 4 now it is time to wire going on the intermediate switch member the black wire from the first two way switch to the l1 terminal and link join the grey wire to the l2 terminal at this point you must link join the brown wire to the adjacent length of cable brown wire past the use of publicize in terminals or strip terminals.
3 pretentiousness fresh open switching additional cable colours light wiring.
notice that the wire combined to the com terminals is looped straight through the intermediate switch using a cable connector fig 2 three mannerism quirk spacious switching wiring diagram all earth wires should partner to the earth terminal in the switch encourage boxes and if you are using metal switches there must be a loop from this earth terminal to the one in the region of the switch plate see note a as regards fig 2.everything you craving to know virtually blithe wiring.
this is where you can control the same well-ventilated via two switches from here it is easy to alter the 2 way switch diagram to grow an intermediate switch which allows you to control a vivacious from 3 switches or 4 or 5 if you are based in the u s a keep busy see how to wire a well-ventilated switch in the u s a.



![]()

intermediate algebra,intermediate acting insulin,intermediate accounting,intermediate appellate court,intermediate axis theorem,intermediate algebra college,intermediate abbreviation,intermediate accounting 17th edition,intermediate algebra problems,intermediate acting insulin names,light academia,light as a feather,light academia aesthetic,light as a feather stiff as a board,light at the end of the tunnel,light and fit greek yogurt,light ash brown hair,light armor 5e,light auburn hair,light academia fashion,switch accessories,switch animal crossing,switch axe,switch animal crossing edition,switch account,switch axe monster hunter rise,switch axe build mh rise,switch app,switch ac adapter,switch amazon,wiring a light switch,wiring a 3 way switch,wiring an outlet,wiring a switch,wiring a gfci outlet,wiring a ceiling fan,wiring a plug,wiring a 4 way switch,wiring a doorbell,wiring a light fixture,diagram a sentence,diagram a sentence for me,diagram app,diagram a sentence online,diagram and label a chromosome in prophase,diagram and explain electron transport,diagram and label a section of dna,diagram antonyms,diagram a bacterium,diagram as code,uk amazon,uk amber list countries,uk athletics,uk area code,uk address,uk address format,uk age of consent,uk arms,uk acceptance rate,uk and us travel