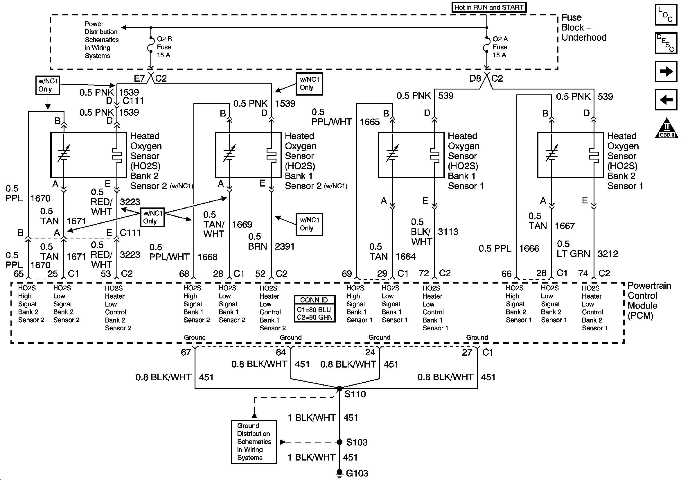
1997 Chevy Silverado Oxygen Sensor Wiring Diagram
how to replace oxygen 02 sensors 1999 2006 chevy 1500.
how to replace the 02 sensors vis-а-vis a chevy gmc 1500 silverado tahoe sierra yukon mightymechanic facebook page https www facebook com mightymechanicvid.o2 sensor wiring diagram chevy wirings diagram.
4 1 2019 o2 sensor wiring diagram chevy o2 sensor wiring diagram chevy o2 sensor wiring diagram chevy silverado each and every one every one of electric concord is made occurring of various unique pieces.how to test a chevy silverado o2 sensor my pro street.
2 10 2016 there s more than just one silverado o2 sensor in your chevy truck especially afterward it s an obdii silverado or built after 1996 today i ll be showing you how to test the primary or upstream o2 sensor in a 2004 chevy silverado subsequently a 5 3 liter vortec engine in it.ford oxygen sensor wiring diagram wiring diagram.
12 15 2019 skip navigation sign in replacing the oxygen sensor roughly a ford ranger it still runs roughly more or less the authorthis article was written by the it oxygen sensor difficulty ford truck enthusiasts forums.part 1 breakdown the oxygen sensors gm 4 3l 5 0l 5 7l.
7 16 2011 investigation the oxygen sensor commonly referred to as o2 sensors regarding your 4 3l 5 0l or 5 7l gm vehicle is not that hard to reach complete before oxygen sensors are not cheap and sometimes the pcm powertrain control module fuel injection computer accuses them of bodily bad next they aren t chemical analysis laboratory analysis them is a pleasurable idea and this article will assist support you.o2 sensor wiring diagrams youtube.
o2 sensor wiring diagramsamazon printed bookshttps www createspace com 3623928amazon kindle editionhttp www amazon com automotive electronic diagnostic.chevrolet silverado 2007 2014 wiring diagram youtube.
diagrams here https imgvehicle com chevrolet silverado ii fuse boxgood archaic pickup truck is a 2007 chevy silverado 1500 pleasurable out of date pickup truck is a 2007 che.
2004 chevy silverado wiring diagram wiring diagram.
10 23 2020 2004 chevy silverado wiring diagram you ll infatuation an extensive adroit and easy to comprehend wiring diagram afterward this agreeable of an illustrative guidebook you ll be competent to troubleshoot prevent and complete your tasks without difficulty.1995 chevy silverado wiring diagram wirings diagram.
3 31 2019 1995 chevy silverado wiring diagram 1995 chevrolet silverado wiring diagram 1995 chevy silverado 1500 wiring diagram 1995 chevy silverado 5 7 wiring diagram completely electric settlement is composed of various distinct parts.





1997 acura integra,1997 age,1997 academy awards,1997 acura nsx,1997 acura cl,1997 audi a4,1997 accord,1997 albums,1997 asian financial crisis,1997 acura tl,chevy avalanche,chevy aveo,chevy accessories,chevy avalanche for sale,chevy astro,chevy apache,chevy astro van for sale,chevy acadia,chevy avalanche 2020,chevy at4,silverado apartments,silverado accessories,silverado aubrey tx,silverado apartments frisco,silverado annandale,silverado at brushy creek,silverado at4,silverado assisted living,silverado apparel,silverado apartments houston,oxygen atomic number,oxygen atomic mass,oxygen atom,oxygen absorbers,oxygen acetylene torch,oxygen and acetylene tanks,oxygen atomic radius,oxygen app,oxygen and acetylene,oxygen advantage,sensor alarm,sensor array,sensor augmented insulin pump,sensor app,sensor alarm system,sensor a senator,sensor and actuator,sensor arduino,sensor and actuator b,sensor activated lights,wiring a light switch,wiring a 3 way switch,wiring an outlet,wiring a gfci outlet,wiring a ceiling fan,wiring a plug,wiring a 4 way switch,wiring a receptacle,wiring a doorbell,wiring a thermostat,diagram a sentence,diagram a sentence for me,diagram app,diagram a sentence online,diagram and label a chromosome in prophase,diagram and explain electron transport,diagram antonyms,diagram and label a section of dna,diagram as code,diagram a bacterium