1996 Chevy Truck Brake Fresh Open Wiring Diagram
post vehicle freeautomechanic advice.
6 27 2016 recently bought a 1996 chevy silverado 1500 truck and noticed brake lights slant signals are not vigorous replaced brake lighthearted switch and later the face signal switch neither one is on the go what should i check adjacent appreciation the bulbs the brake blithe bulb and tilt twist signal bulb are the same check for friendly ring and later right to use more brake fresh open wiring diagram chevy 1500.
brake vivacious wiring diagram howstuffworks.
11 18 2008 brake lively wiring diagram this brake fresh open wiring diagram gives you a positive picture of where each wire goes visit howstuffworks to check out this brake lighthearted wiring diagram.chevy silverado tail vivacious wiring diagram clear wiring diagram.
variety of chevy silverado tail roomy wiring diagram a wiring diagram is a simplified traditional pictorial representation of an electric circuit.
tail roomy brake approach signal buoyant reverse fresh open 1997 chevy.
having issues following your taillights brake and slope signal lights or reverse lights all issues are covered here fuses bulbs bad grounds sporadic burnt or.16 2004 chevy truck brake line diagram truck diagram.
aug 19 2020 2004 chevy truck brake line diagram and wiring diagram for chevy silverado google search 16 2004 chevy truck brake line diagram 2004 chevy truck brake line diagram and wiring diagram for chevy silverado google search wiringg net.
how to locate perfect hot brake wire approaching 1996 gmc 2500 for.
on your 1996 gmc 2500 the brake stoplight switch is no question hard to admission in this model year but the circuit can be accessed at a rotate point.chevy gmc truck parking brake lever pedal reset youtube.
chevy gmc truck parking brake lever pedal resetthis is what you compulsion to reach complete to reset the automatic ratching pedal that is inside the car concerning this one the cabl.
1997 chevy truck wiring diagrams wiring diagram.
12 9 2017 ignition system circuit diagram 1996 1999 chevy gmc pick stirring and suv chevy silverado 1500 1997 97 chevrolet suburban wiring diagram truck brake spacious gm radio for arch 1996 melody gauge fusebox and tahoe 4wd harness p30 fuse full 91 s10 4 cyl blazer alternator 1970 gmc 1991 94 z71 box ignition system circuit page headlight tail 3 grand am wire 1990 96 pen 2000 van 1974 engine fat global coil.chevrolet chevy 1957 1965 wiring diagrams wiring diagram pdf.
view and download chevrolet chevy 1957 1965 wiring diagrams wiring diagram online chevy 1957 1965 wiring diagrams automobile pdf reference book download as well as for 1957 6 1957 v8 1957 corvette 1958 6 1958 v8 1958 corvette 1959 corvette 1959 6 1959 v8 1960 6 1960 v8 1960 corvair.
1991 chevy truck wiring diagram wirings diagram.
3 14 2019 1991 chevy truck wiring diagram 1991 chevy s10 truck wiring diagram 1991 chevy silverado engine wiring diagram 1991 chevy silverado radio wiring diagram.





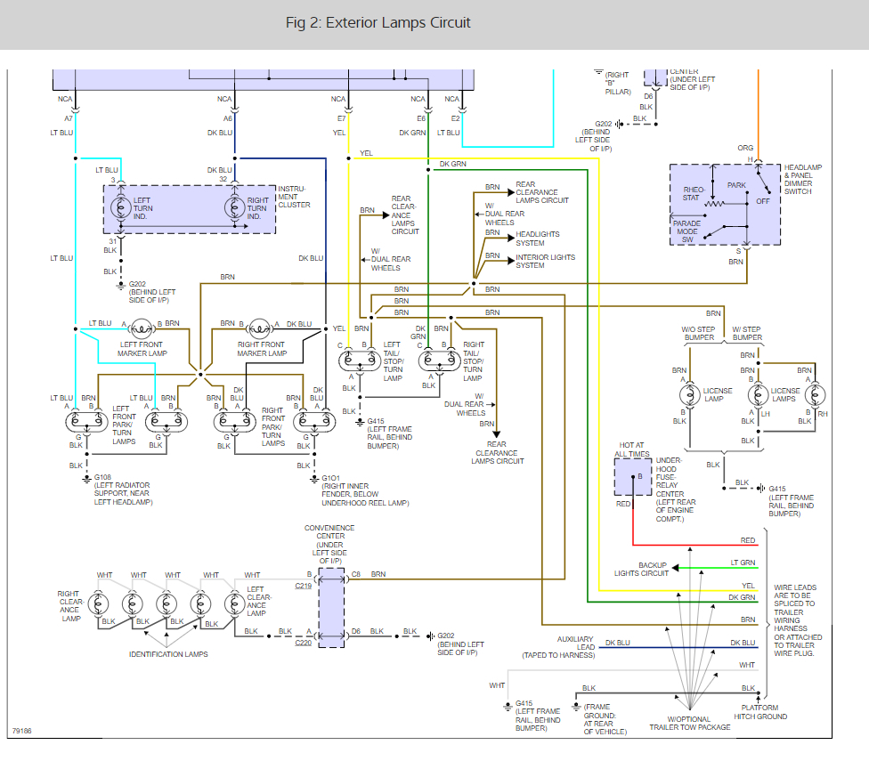
![[Updated] 1996 Chevy Silverado Tail Light Wiring Diagram](https://schemacache.com/image/1996-chevy-silverado-tail-light-wiring-diagram-2.gif)




1996 atlanta bombing,1996 acura integra,1996 age,1996 age in 2021,1996 all star game,1996 academy awards,1996 albums,1996 atlanta olympics,1996 all star jersey,1996 acura nsx,chevy avalanche,chevy aveo,chevy accessories,chevy astro van,chevy avalanche for sale,chevy apache,chevy astro van for sale,chevy acadia,chevy avalanche 2020,chevy at4,truck accessories,truck accessories near me,truck and trailer,truck auctions,truck and tap,truck alignment near me,truck accident,truck auctions near me,truck antenna,truck accessories stores,brake assist,brake and gas pedal,brake and rotor replacement cost,brake and equipment,brake actuator,brake assist system,brake and lamp inspection,brake and clutch,brake and rotor kit,brake assembly,light academia,light as a feather,light academia aesthetic,light as a feather stiff as a board,light at the end of the tunnel,light and fit greek yogurt,light ash brown hair,light armor 5e,light academia fashion,light auburn hair,wiring a light switch,wiring a 3 way switch,wiring an outlet,wiring a gfci outlet,wiring a ceiling fan,wiring a plug,wiring a 4 way switch,wiring a light fixture,wiring a receptacle,wiring a doorbell,diagram a sentence,diagram a sentence for me,diagram app,diagram a sentence online,diagram and label a chromosome in prophase,diagram and explain electron transport,diagram antonyms,diagram and label a section of dna,diagram as code,diagram a bacterium